“材能杯”学术科技竞赛初赛入围名单
“材能杯”学术科技竞赛初赛入围名单
力倡五讲四知,引导和激励员工实事求是、刻苦钻研、勇于创新、多出成果、提高素质,培养员工创新精神和实践能力,并在此基础上促进员工课外学术科技活动的蓬勃开展,发现和培养一批在学术科技上有作为、有潜力的优秀人才,力争在公司范围内针对性地实现学术科技素养提升。同时,此次比赛还将为公司的“含弘杯”及以上级别员工学术科技作品竞赛筛选参赛作品。
现初赛入围名单如下:
作品名称 | 参赛选手 |
扶贫先扶智之农村教育出路何在 | 赵佩 |
关于“脱贫攻坚”实际成效的调研报告 | 周俊吉 |
家庭性教育对孩子的影响 | 程敏;邵华;张芷瑜;聂彩雯;吴雪梅 |
探索影响乡村振兴战略的几大因素 | 毛秋 |
疫情背景下重庆市区块链技术发展的状况及趋势分析 | 陆杨 曾晖 |
PEGylated polypyrrole-gold nanocomplex as enhanced photothermal agents against tumor cells | 胡洁 |
生物仿生法制备抗菌性丝胶涂层 | 强伟鹏 |
Predict the time to pass congested road | 李泽豪 |
Green-templates route for FeV3O8 nanorods as a highly excellent and recyclable photocatalyst for the degradation of organic dyes | 黄智 高瞳 胡海 |
部分成果展示:

Use R Studio to find the relationship between average speed, traffic flow and congestion index, and use multiple linear regression to fit the function image as follows

Preparation and characterization of the obtained NPs
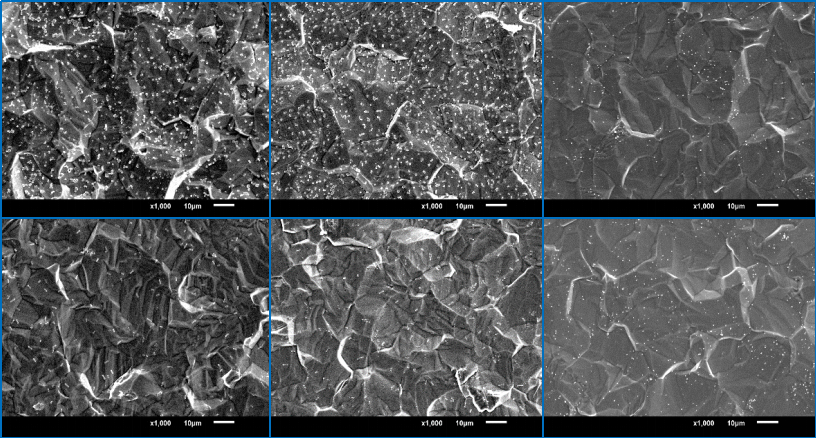
通过扫描电镜分析进一步检测大肠杆菌和金黄色葡萄球菌茬原始钛表面和改性钛表面的粘附情况:


Characterization of FeV3O8 morphology:(a,d)SEM images of uniform shape nanorods of FeV3O8.(b,c) FESEM images of FeV3O8 nanorods.(e,f,g) EDS images of FeV3O8 nanorods.
附:如有意见请联系学术科技部